| ECL82er |
| Startseite -> Bastel -> ECL82er |
Bei einer Ausschlachtaktion auf dem hiesigen Wertstoffhof habe ich einen Ausgangstrafo extrahiert. Irgendwo im Hinterkopf erinnerte ich mich, so einen Trafo schonmal ausgebaut zu haben - ideale Voraussetzung für einen netten kleinen Verstärker.
Das Projekt gliedert sich in 3 Komponenten:
Diese Abfolge gibt auch die zeitliche Abfolge der Fertigstellung gut wieder.

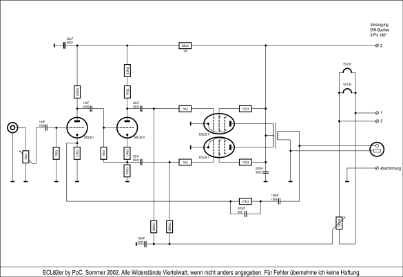
Die Schaltung weist keine großartigen Besonderheiten auf. Nur soviel zur Gittervorspannungsversorgung der Endröhren: Die Spannung wird symmetrisch auf die Heizleitungen eingespeist, wo sie symmetrisch mit dem 100K Trimmer wieder abgenommen wird. Mit diesem Trimmer wird ein Brummminimum eingestellt. So konnte ich Leitungen zwischen Netzteil und Verstärkerteil sparen.
Überraschenderweise sind die Pentoden der ECL82 durchaus kräftig und effizient: So liefert ein Kanal bei Vollaussteuerung seine 7 W Sinus. Das reicht auch für lautes Hören durchaus.
Die Anode der zweiten Triode hat deswegen noch einen zweiten Anodenwiderstand, um die Amplitudensymmetrie zwischen Anode und Kathode wieder herzustellen.

Der Netzteil hat als einzige Besonderheit die Erzeugung der negativen Vorspannung für die Endröhren. Über einen separaten kleinen Trafo wird aus der Heizspannung eine Gleichspannung erzeugt, die durch eine Zenerdiode von Schwankungen weitestgehend befreit wird. Über das 100kΩ-Poti wird der Arbeitspunkt der Endröhren eingestellt. So kann mit Sparbetrieb mit ca. 20 mA Gesamtstrombedarf schon Zimmerlautstärke ohne großartige Verzerrungen erreicht werden. Für den regulären Betrieb ohne Übernahmeverzerrungen bis zur Clippinggrenze empfehlen sich 30-35 mA. Für meinen Geschmack kann ich keine Klangverbesserung mehr feststellen, wenn ich den Arbeitspunkt weiter auf der Kennlinie nach oben schiebe.
Die Siebelkos sind recht klein ausgefallen, was aber in der Praxis keine Auswirkungen zeigt. Die große Siebdrossel sowie die an sich schon netzbrummunempfindliche Gegentaktschaltung sorgen für einen nicht gerade guten aber doch akzeptablen Störabstand. Der ließe sich durch eine getrennte Führung der Gittervorspannung sicher noch verbessern.
Gesamtansicht von vorne |
Gesamtansicht von hinten |
Innenansicht Sieht chaotischer aus, als es ist. Auf der Bodenplatte ist der separate Trafo für die negative Gittervorspannung zu sehen. |

Dieser kleine Zusatzverstärker beseitigt das große Manko: Die Unempfindlichkeit der Schaltung. Der Gitterspannungsbedarf der ECL82 liegt recht hoch für entsprechende Aussteuerung und die Phasendrehungsstufe trägt nicht zur Verstärkung bei. Somit muß eine kathodenseitig nicht abgeblockte Triode, die auch noch in einem Gegenkopplungszweig drin steckt, alles an Verstärkung aufholen, was schlicht nicht hinhaut. Und mangels Pins wird es eine ECFL82 nie geben ;-)
| © by Patrik Schindler <webhamster@pocnet.net>, 1999-2025 |